As an industry leading manufacturer of control, activation, annunciation and locking products that serve the accessibility needs of persons with disabilities, Camden Door Control is committed to providing new product and application guides that address the most current building code requirements.
This guide has been created to address the latest requirements of the Ontario Building Code (OBC), effective January 1, 2015. This code mandates the installation of emergency call systems in barrier-free and universal washrooms. Although the code requirements are only applicable to the province of Ontario, Canada, they can also be viewed as a model for emerging code requirements for emergency call systems in universal washrooms across North America.
The extensive range of information that is presented in this guide includes a summary of code requirements, the system components, a range of system design options, project specifications and point-to-point wiring schematics.
Camden offers a wide range of product solutions to meet the diverse requirements and preferences of consulting engineers and specification writers. This edition of our guide includes a number of new product enhancements and new products to serve the expanding market.
Before reviewing the code requirements for 'emergency call systems', it is necessary to understand the terms 'Barrier-Free' and 'Universal' washrooms.
Barrier-Free Washrooms are designed to be used by persons with physical or sensory disabilities. When specified by code, this requires an automatic door operator, activated by push plate or hands-free switches.
Universal Washrooms are washrooms that are designed to be usable by most people, regardless of their level of ability or disability. The term 'Universal Washroom' has come to replace the term 'Public Washroom'.
Washroom vs. Restroom: In the U.S., the most commonly used term is 'restroom' whereas in Canada it is more commonly known as 'washroom'. As this guide is designed to serve all North American markets, both terms have been used.
On December 27, 2013, Ontario Regulation 368/13 was filed to amend the new 2012 Building Code.
The effective date of the amendment is January 1, 2015.
The amended requirements substantially enhances accessibility in newly constructed buildings, and existing buildings that are to be extensively renovated.
The Building Code requires barrier-free washrooms to be provided in public areas of most buildings. These washrooms must be situated on a barrier-free path of travel and are subject to a number of requirements addressing turning space, doorway widths, grab bars, counter heights and signage, among others.
New amendments update these requirements in a number of ways. Key changes include:
Requirements for power door operators at the entrance door to all barrier-free and universal washrooms
Universal washroom in all buildings in which a washroom is required.
Multi-storey buildings must provide one universal washroom for every three floors. The location is not specified - this sets out the number, but leaves flexibility for designers to locate the universal washrooms where appropriate.
have a door that is capable of being locked from the inside and released from the outside in case of emergency and that has,
a graspable latch-operating mechanism located not less than 900 mm and not more than 1000 mm above the finished floor,
if it is an outward swinging door, a door closer, spring hinges or gravity hinges, so that the door closes automatically.
A universal washroom shall have,
an emergency call system that consists of audible and visual signal devices inside and out side of the washroom that are activated by a control device inside the washroom, and
an emergency sign that contains the words IN THE EVENT OF AN EMERGENCY PUSH EMERGENCY BUTTON AND AUDIBLE AND VISUAL SIGNAL WILL ACTIVATE in letters at least 25 mm high with a 5 mm stroke and that is posted above the emergency button.
This section provides information for each of the control, activation and annunciation components that could be used in a universal washroom emergency call application. Each component in this section contains the Camden product model number, name/description, image, the general application and a project specification.
CM-450R/12 Mushroom Pushbutton
Application: Used as the activation and deactivation device of emergency call system signal appliances (visual and audio annunciation), inside restroom.
Add suffix 'F' to model number for French language.
Specification: The single gang, mushroom pushbutton switches to be used throughout the site/complex shall be CAMDEN DOOR CONTROLS model CM-450R/12. The pushbutton shall incorporate a large button at least 1.5? in diameter with push/pull, maintained action. The button shall be vandal resistant and have a free-spinning collar with a metal back ring. The switch shall be mountable in a single gang electrical box. The faceplate shall be heavy gauge stainless steel, brushed finish. Output contacts shall be rated 10 AMPS @30 VDC minimum. 'PUSH FOR EMERGENCY ASSISTANCE' verbiage shall be permanently laser engraved on the faceplate. This pushbutton shall be UL 61056-1, CAN/CSA-C22.2 compliant. This switch shall carry a 3 year warranty.
Read more...
CM-AF501SO Single Gang LED Annunciator with Sounder
Application: Illuminated single gang LED annunciator, with built in adjustable sounder, specifically designed for inside restroom applications. The ability to lower the sounder dB is critically important in smaller restrooms with tiled surfaces, as this annunciator is only a confirmation signal device (not a notification device used outside the restroom). 'Assistance Requested' message label is not visible unless LED is lit.
Add suffix 'F' to model number for French language. Other message labels available upon request.
Specification: The single gang, LED illuminated annunciators, with adjustable sounder, to be used throughout the site/complex shall be CAMDEN DOOR CONTROLS model CM-AF501SO. The faceplate shall be constructed of heavy gauge stainless steel and shall have a 1 3/8? square LED illuminated message, visible only when lit. When not lit, the message shall not be readily legible. The LED illuminated annunciators shall be constructed so that the message cannot be scratched or removed by vandalism. The annunciator shall have a piezo sounder, rated not more than 85dB at 10cm, with adjustability to lower the sound level if required. The unit shall be supplied with 'Assistance Requested' message label. The unit shall be supplied with stainless steel Torx or snake eye security screws. The LED illuminated annunciators shall be 12V or 24V DC. The LED annunciator shall carry a 3 year warranty.
Read more...
CM-AF540SO Double Gang Push Button & LED Annunciator
Application: This product combines the CM-450R mushroom 'PRESS FOR EMERGENCY ASSISTANCE' push button and 'ASSISTANCE REQUESTED' CM-AF501SO LED annunciator in one double gang unit.
Add suffix 'F' to model number for French language
Specification: The double gang mushroom pushbutton switch and LED annunciator to be used throughout the site/complex shall be CAMDEN DOOR CONTROLS model CM-AF540SO. The pushbutton shall incorporate a 1.5? in diameter button and shall be vandal resistant and have a free-spinning collar with a metal back ring. Output contacts shall be rated 10 AMPS @30 VDC minimum. 'PRESS FOR EMERGENCY ASSISTANCE' text shall be permanently laser engraved. The pushbutton shall be UL 61056-1, CAN/CSA-C22.2 compliant. LED illuminated annunciator shall have a 1 3/8? square LED illuminated message, visible only when lit. When not lit, the message shall not be readily legible. The LED illuminated annunciators shall be constructed so that the message cannot be scratched or removed by vandalism. This unit shall carry a 3 year warranty.
Read more...
CM-AF141SO Single Gang LED Dome Light with Sounder
Application: Single gang LED dome light with built in sounder, designed for use outside the restroom. The LED dome light is weather and vandal resistant and offers 180? illumination, for visibility down corridors. 'ASSISTANCE REQUIRED' text is printed on the lens.
Add suffix 'F' to model number for French language. Add suffix 'BF' to model number for English & French Bilingual language
Specification: The single gang, dome light and sounder to be used throughout the site/complex shall be CAMDEN DOOR CONTROLS model CM-AF140SO. The dome light shall be LED illuminated. Incandescent illumination is not acceptable. The unit shall be weather resistant, for use outdoors, and vandal resistant. A white wedge shaped lens shall provide 180? visibility. 'ASSISTANCE REQUIRED' text shall be printed both sides of the lens. The unit shall have an adjustable piezo sounder, rated a min. 93dB. The LED dome light annunciators shall be 24V DC. And carry a 3 year warranty.
Read more...
CM-8010R/13 Momentary, 'Press for Reset' 1? Push Button Switch
Application: This switch provides a convenient reset of an emergency call system when utilizing momentary 'PRESS FOR EMERGENCY ASSISTANCE' switches.
Specification: The emergency system reset push buttons used throughout the site or complex shall be Camden Door Controls, CM-8010R/13. The assembly shall be tamper and vandal resistant. The faceplate shall be made of 1/4? thick aluminum, and supplied with stainless steel Torx or snake eye-security screws. The red button must be encased in a protective metal housing. The button shall extend 1/4? from the protective metal housing, and protrude no more than 1? from the wall. Rating for all electrical contacts shall be a minimum of 6 amps @ 30 VDC. The switch used shall be a UL/CSA approved type. 'PRESS FOR RESET' text shall be permanently laser etched on the faceplate.
Read more...
CM-1205/14 Momentary, 'W/C System Reset' Key Switch, with Cylinder & Keys
Application: This key switch provides a secure reset of an emergency call system when utilizing momentary 'PRESS FOR EMERGENCY ASSISTANCE' switches.
Specification: The emergency call system reset key switches used throughout the site, or complex shall be Camden Door Controls, CM-1205/14. The key switches shall be single gang flush mounted with 18 gauge stainless steel faceplate. will incorporate a mounting platform for both the cylinder and switches, in a single piece construction. The switch component used will be a UL/CSA approved type, rated for 6A/30VDC. Switches are to be supplied with color coded soldered leads, encased in heat shrink tubing. 'Universal W/R' text shall be permanently laser etched on the faceplate. The key switch shall be supplied with CM-1000/60KD solid brass mortise cylinder and 2 keys.
Read more...
CM-SE21A Sign
Application: Instructional sign, located above the activation switch, inside restroom. Text is 'IN THE EVENT OF AN EMERGENCY PUSH EMERGENCY BUTTON AND AUDIBLE AND VISUAL SIGNAL WILL ACTIVATE'.
Order CM-SF20A for French Language Optional self-adhesive vinyl signs in English (CM-SE21B) and French (CM-SF20B)
Specification: The emergency call system occupant notice sign used throughout the site/complex shall be CAMDEN DOOR CONTROLS model CM-SE21A. The sign is to be located above the activation switch and be 1/16? (1.6mm), 6? x 10 5/8?, (152mm x 270mm), white, fire rated expanded PVC. The sign shall have 25mm red lettering. Text shall be; 'IN THE EVENT OF AN EMERGENCY PUSH EMERGENCY BUTTON AND AUDIBLE AND VISUAL SIGNAL WILL ACTIVATE'.
This section provides detailed system design information for Camden emergency call systems for universal restrooms. Camden offers two system kits: Each Camden CX-WEC Series system is described with a block diagram and a sequence of operation.
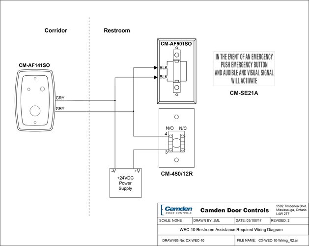
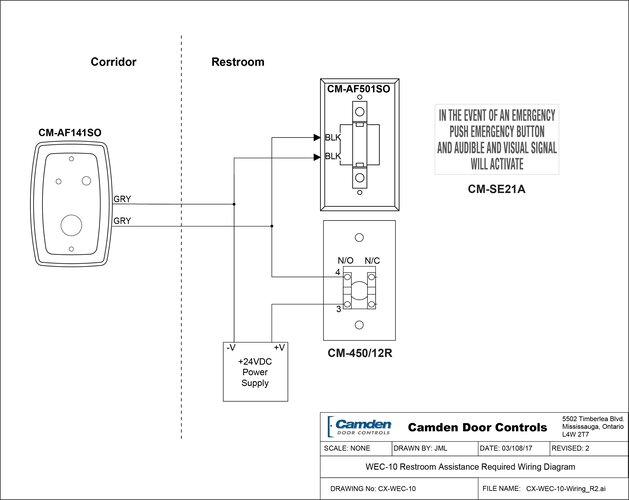
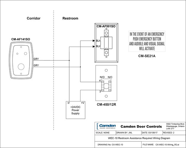
CX-WEC10 EMERGENCY CALL SYSTEM KIT CX-WEC10K2 Emergency Call System Kit with CM-AF540SO Combo
Read more...
Camden CX-WEC10 & CX-WEC10K2 emergency call system for universal restrooms are designed to provide a washroom occupant with the ability to request emergency assistance, to receive visual and audible confirmation that their request has been made, and visual and audible notification to building staff and occupants outside the restroom of an emergency condition.
The 'PRESS FOR EMERGENCY ASSISTANCE' mushroom push button is activated by the occupant. This energizes the LED annunciator and sounder inside the washroom, and the LED dome light with sounder outside the washroom. Both annunciators will be energized until the latching mushroom push button switch is pulled out.
CX-WEC10 & CX-WEC10K2 universal restroom kits will provide emergency call system capability to a Camden CX-WC11, 12, 13 and 14 barrier-free restroom control kit, where the door is equipped with an automatic door operator. These two systems are integrated via the door control relay, and may be powered with common power supplies.
Stand alone emergency call system for universal washroom. Can also be installed with Camden CX-WC11, 12, 13 & 14 barrier-free restroom control kits, for doors fitted with automatic operators. For French language, add suffix 'F' to model #. For bilingual English/French, order CX-WEC10FE.
Components shown as images are included in Camden universal restroom control kit.
Components shown as line drawings are available from Camden separately.
CX-WEC11 EMERGENCY CALL SYSTEM KIT
Read more...
The Camden CX-WEC11 emergency call system for universal restrooms is designed to provide a washroom occupant with the ability to request emergency assistance as part of a barrier-free restroom application.
The function of the CX-WEC11 system is identical to the CX-WEC10 system, however, the 'PRESS FOR EMERGENCY ASSISTANCE' mushroom push button, is supplied as part of a Camden CX-WC15 (barrier-free) restroom control kit. (Used when flashing an annunciation or time door unlock functions are required)
For more information regarding Camden CX-WC (barrier-free) restroom control kits, please see Camden publication 'Code Compliant Control of Automatic Doors in Restroom Applications', doc. #40-82A002-R4. To download a copy or request a printed copy of this guide, please visit www.camdencontrols.com.
Camden offers a wide range of product solutions to meet the diverse requirements and preferences of consulting engineers and specification writers. This edition of our guide includes a number of new product enhancements and new products to serve the expanding market.
Emergency call system for use with Camden CX-WC15 barrier-free restroom control kit. For French language, add suffix 'F' to model #. For bilingual English/French, order CX-WEC10FE.
Components shown as images are included in Camden universal restroom control kit.
Components shown as line drawings are available from Camden separately.
CX-WEC12: EMERGENCY CALL SYSTEM KIT ? WITH PUSH BUTTON SYSTEM RESET CX-WEC13: EMERGENCY CALL SYSTEM KIT ? WITH KEY SWITCH SYSTEM RESET
Read more...
The Camden CX-WEC12 and CX-WEC13 emergency call systems for universal restrooms are designed to provide a washroom occupant with the ability to request emergency assistance, utilizing a momentary switch (supplied by Camden or 3rd party) to receive visual and audible confirmation that their request has been made, and provide visual and audible notification to building staff and occupants outside the restroom of an emergency condition. A 'PRESS FOR EMERGENCY ASSISTANCE' momentary switch is activated by the occupant. This energizes the LED annunciator and sounder within the washroom, and the dome light with sounder outside the washroom. The notification signal is reset by pressing a 'system reset' push button (CX-WEC 12 system kit) or turning a 'Universal W/R' reset key switch (CX-WEC13).
The CX-WEC12 universal restroom kit will provide emergency call system capability with a Camden CX-WC11, 12, 13 and 14 barrier-free restroom control kit, where the door is equipped with an automatic door operator. These two systems are integrated via the door control relay, and may be powered with common power supplies.
Emergency call system utilizing momentary 'press for emergency assistance' switches, stand alone or installed with Camden CX-WC11, 12, 13 or 14 barrier-free restroom control kits, for doors fitted with automatic operators.
Components shown as images are included in Camden universal restroom control kit.
Components shown as line drawings are available from Camden separately.
Camden Door Controls offers a complete set of project specifications, in Word doc. format, for each restroom control system design contained in this guide.
To obtain a copy, please contact our Customer Service department at
CA: 1-877-226-3369,
US: 1-833-726-3367.
Camden Door Controls offers the most extensive range of high quality door activating, locking, and control products to support any automatic door operator or access control application. We are ISO 9001:2008 registered, with a 20,000 ft. manufacturing facility, and an extensive network of stocking distributors across North America. Our 'Quick- Ship' warehouses in San Diego CA. and Charlotte NC, and main manufacturing facility in Toronto enables Camden to provide customers 5 day ground shipping to any location within Canada or, the continental U.S.!
Camden Door Controls has created this guide to serve as a general orientation to the topic and assumes no liability whatsoever for errors or omissions in the information contained herein, nor in how this information is understood or interpreted. In all cases, the reader is directed to consult the applicable codes, standards and laws that are in force within the country, state and municipality of their installation, and are further advised to submit their interpretation of the installation requirements to their local authority having jurisdiction (AHJ) prior to purchasing or installing equipment.
To serve you better, please be advised that we are upgrading the translated content on our website.
The French and Spanish language versions will be restored on or before Monday, July 21, 2024.
Our customer service department may be contacted at CA: 1-877-226-3369, US: 1-833-726-3367 with any questions or concerns you may have.
Thank you for your cooperation and patience.
À nos précieux clients :
Pour mieux vous servir, veuillez noter que nous mettons à jour le contenu traduit sur notre site Web.
Les versions en français et en espagnol seront restaurées au plus tard le lundi 21 juillet 2024.
Notre service à la clientèle peut être joint au CA: 1-877-226-3369, US: 1-833-726-3367 pour toute question ou préoccupation que vous pourriez avoir.
Merci de votre coopération et de votre patience.
A Nuestros Valiosos Clientes:
Para servirle mejor, le informamos que estamos mejorando el contenido traducido en nuestro sitio web.
Las versiones en francés y español se restaurarán a más tardar el lunes 21 de julio de 2024.
Nuestro departamento de atención al cliente puede ser contactado al CA: 1-877-226-3369, US: 1-833-726-3367 con cualquier pregunta o inquietud que pueda tener.
Gracias por su cooperación y paciencia.
To Our Valued Customers:
To serve you better, please be advised that we are upgrading the translated content on our website.
The French and Spanish language versions will be restored on or before Monday, July 21, 2024.
Our customer service department may be contacted at CA: 1-877-226-3369, US: 1-833-726-3367 with any questions or concerns you may have.
Thank you for your cooperation and patience.
À nos précieux clients :
Pour mieux vous servir, veuillez noter que nous mettons à jour le contenu traduit sur notre site Web.
Les versions en français et en espagnol seront restaurées au plus tard le lundi 21 juillet 2024.
Notre service à la clientèle peut être joint au CA: 1-877-226-3369, US: 1-833-726-3367 pour toute question ou préoccupation que vous pourriez avoir.
Merci de votre coopération et de votre patience.
A Nuestros Valiosos Clientes:
Para servirle mejor, le informamos que estamos mejorando el contenido traducido en nuestro sitio web.
Las versiones en francés y español se restaurarán a más tardar el lunes 21 de julio de 2024.
Nuestro departamento de atención al cliente puede ser contactado al CA: 1-877-226-3369, US: 1-833-726-3367 con cualquier pregunta o inquietud que pueda tener.
Gracias por su cooperación y paciencia.